Click to enlarge

Inch Plug

EIS-11 Inch Series Sealing Plugs

"1" Plug - Case Hardening Steel, Commercial Zinc "1" Ball - Bearing Steel, Heat Treated

Features: Inch Sizing - Case Hardening Steel- Commercial Zinc- Bearing Steel-Heat Treated

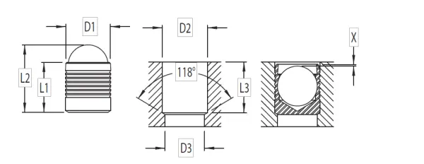
eis11inchdiagram

D1

L1

L2

D2

D3 max.

L3 min. X Type
0.1562 0.157 0.21 0.1562 0.130 0.150 0.010 EIS-11-156
0.1875 0.216 0.28 0.1875 0.160 0.209 0.010 EIS-11-187
0.2187 0.220 0.28 0.2187 0.190 0.208 0.010 EIS-11-218
0.2500 0.256 0.34 0.2500 0.220 0.248 0.010 EIS-11-250
0.2812 0.295 0.40 0.2812 0.250 0.287 0.010 EIS-11-281
0.3125 0.334 0.46 0.3125 0.281 0.327 0.010 EIS-11-312

Our website uses cookies. For more information on our cookie use, see our Privacy Policy. By continuing to use this website you agree to our use of these cookies.